Wenzhou Joepai Valve Co., Ltd.
Wenzhou Joepai Valve Co., Ltd.
Kolmisuuntainen palloventtiilit
Kierteinen 3-tiepalloventtiili ISO 5211 -suorakiinnitystyynyllä
  • Kierteinen 3-tiepalloventtiili ISO 5211 -suorakiinnitystyynylläKierteinen 3-tiepalloventtiili ISO 5211 -suorakiinnitystyynyllä
  • Kierteinen 3-tiepalloventtiili ISO 5211 -suorakiinnitystyynylläKierteinen 3-tiepalloventtiili ISO 5211 -suorakiinnitystyynyllä
  • Kierteinen 3-tiepalloventtiili ISO 5211 -suorakiinnitystyynylläKierteinen 3-tiepalloventtiili ISO 5211 -suorakiinnitystyynyllä

Kierteinen 3-tiepalloventtiili ISO 5211 -suorakiinnitystyynyllä

Kiinassa valmistetussa JOEPAI-kierteisessä 3-tiepalloventtiilissä ISO 5211 -suoraan kiinnitystyynyllä on sisäiset virtauskanavat, jotka voidaan jakaa L- ja T-muotoisiin kanaviin. Sisäiset venttiilit on jaettu PTFE-tiivisteisiin ja metallisiin kovatiivisteisiin, ja ne voidaan varustaa manuaalisilla kytkimillä tai kierukkakytkimillä. Yllä oleva liitäntäalusta on ISO 5211 -standardin mukainen, ja se voidaan yhdistää suoraan sähköisten tai pneumaattisten toimilaitteiden kanssa älykkään kytkimien tai säätöjen kauko-ohjaukseen.

JOEPAI Valve yhtenä Kiinan johtavista teollisuusventtiilien valmistajista keskittyy ruostumattomasta teräksestä valmistettujen kierteitettyjen 3-tiepalloventtiilien tutkimukseen ja vientiin, jossa on ISO 5211 -suora asennuslevy ja -vipu. Tuotteet valmistetaan tiukasti kansainvälisiä standardeja ja niitä käytetään laajalti Euroopassa, Amerikassa ja Kaakkois-Aasian markkinat. Tarjoamme myös OEM/ODM-räätälöintipalveluita.

Ruostumattomasta teräksestä valmistettu 3-tiepalloventtiili on valmistettu korkealaatuisesta CF8/CF8M ruostumaton teräsvalu, joka tarjoaa L- ja T-muotoisen kanavan kokoonpanot, tukitoiminnot, kuten monisuuntainen vaihto, soitonsiirto, ja yhdistäminen ja sopeutuminen erilaisiin monimutkaisiin prosessivirran ohjauksiin vaatimukset. Tuotteella on kompakti rakenne ja nopea avautuminen ja sulkeminen, ja sitä käytetään laajalti teollisuusautomaation putkistojärjestelmissä, kuten elintarvike-, kemian-, lääke- ja vedenkäsittelynä.

Tuotteen tiedot:

Precision Investment -valurunko: varmistaa korkean rakenteellisen eheyden, sileän pinnan ja erinomaisen korroosion- ja kulumisenkestävyyden.
Korkeapaineinen suorituskyky: mitoitettu 1000 PSI W.O.G. (vesi, öljy, kaasu), joka tarjoaa luotettavan toiminnan erilaisissa neste- ja kaasusovelluksissa.
Säädettävä varren tiiviste: Mahdollistaa helpon puristussäädön tiivisteen eheyden säilyttämiseksi ja vuotojen estämiseksi pitkäaikaisessa käytössä.
Puhdas teflon tiivisteet ja tiivisteet: Tarjoaa erinomaisen kemiallisen kestävyyden, alhaisen kitkan ja kuplantiiviin sulkemisen vaativissa palveluissa.
ISO 5211 -toimilaitteen kiinnitysalusta: Mahdollistaa automaattisten toimilaitteiden nopean ja suoran kiinnittämisen vaivatonta muuntamista ohjattavaan käyttöön.
Puhalluksenkestävä varsi, kiinteä pallo asiakkaan pyynnöstä
Valinnainen lukituskahva: Tarjoaa lisäturvaa ja hallintaa vaarallisissa tai kriittisissä sovelluksissa.

Threaded 3-Way Ball Valve with ISO 5211 Direct Mounting Pad

Threaded 3-Way Ball Valve with ISO 5211 Direct Mounting Pad


Pääosien materiaali:

Ei. Osan nimi Materiaali
1 Runko CF8M/CF8
2 Korkki CF8M/CF8
3 Pallo CF8M/CF8
4 Tiiviste PTFE
5 Varsi CF8M/CF8
6 Pakkaus PTFE
7 Varren tiiviste PTFE
8 Hiutaleet PTFE
9 Gland Nut CF8M/CF8
10 Kahva CF8M/CF8
11 Virtauksen suunnan merkki ALUMIINI
12 Tiiviste CF8
13 Mutteri CF8
14 Lukituslaite CF8
15 Muovinen kansi Kumi
16 Sokea kansi
CF8M/CF8

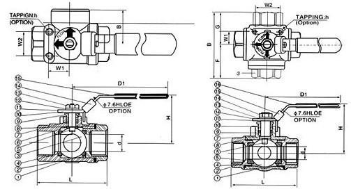
Päämitat

KOKO d L H D1 B W1 W2
1/2" 12.7 64 53 97 32.0 22.4 35.0
3/4" 16.0 76 63 126 38.0 22.4 35.0
1″ 20.0 87 66 126 43.5 22.4 35.0
11/4" 25.0 96 81 145 48.0 22.4 35.0
11/2" 32.0 114 83 145 57.0 25.4 38.1
2″ 38.1 142 96 204 71.0 25.4 38.1


Threaded 3-Way Ball Valve with ISO 5211 Direct Mounting PadThreaded 3-Way Ball Valve with ISO 5211 Direct Mounting Pad

Hot Tags: Kierteinen 3-tiepalloventtiili ISO 5211 -suorakiinnitystyynyllä
Lähetä kysely
Yhteystiedot
  • Osoite

    Building 2, No. 4228, Binhai 3rd Road, Xinghai Street, Longwan District, Wenzhou City, Zhejiangin maakunta, Kiina

  • Sähköposti

    sales@joepaivalve.com

Jätä meille sähköpostiosoitteesi, jos sinulla on kyselyjä palloventtiileistä, porttiventtiileistä, maapalloventtiileistä tai hinnastoista ja olemme yhteydessä 24 tunnin sisällä.
X
Käytämme evästeitä tarjotaksemme sinulle paremman selauskokemuksen, analysoidaksemme sivuston liikennettä ja mukauttaaksemme sisältöä. Käyttämällä tätä sivustoa hyväksyt evästeiden käytön. Tietosuojakäytäntö
Hylätä Hyväksyä