Wenzhou Joepai Valve Co., Ltd.
Wenzhou Joepai Valve Co., Ltd.
Uutiset

Uutiset

Miksi kustannustehokas 3-osainen taotun teräksen korkeapainepalloventtiilimme on hyvä valinta?

Mikä on 3-osainen taotun teräksen korkeapainepalloventtiili?

A 3-osainen taottu teräksinen korkeapainepalloventtiiliviittaa erittäin lujaan palloventtiiliin, jossa on kolmiosainen runkorakenne, joka on yhdistetty pulteilla. Sen sulkuelementti on tarkasti koneistettu pallo, jota pyöritetään venttiilin rungon keskilinjan ympäri venttiilin varren avulla väliaineen nopean sulkemisen, jakautumisen tai virtauksen vaihtamiseksi.


Tuotteen kuvaus

3-osaiset taotut teräspalloventtiilit ovat helppokäyttöisiä, kompakteja, luotettavasti tiivistettyjä, rakenteeltaan yksinkertaisia ​​ja helppohoitoisia. Tiivistyspinta ja pallo ovat aina suljetussa tilassa, mikä tekee niistä vähemmän alttiita väliaineen aiheuttamalle eroosiolle. Niitä käytetään laajasti eri teollisuudenaloilla.

Venttiilin runko muodostetaan taontaprosessilla, ja materiaali voi olla ruostumatonta terästä (kuten F304, F316) tai hiiliterästä (kuten A105). Taotuilla teräsmateriaaleilla on ominaisuuksia, kuten tiivis rakenne, erinomaiset mekaaniset ominaisuudet ja vahva iskunkestävyys, mikä tekee niistä erityisen sopivia korkeapaineisiin ja lujiin työolosuhteisiin.

Putkiston tarpeiden mukaan voidaan valita erilaisia ​​liitäntätapoja, kuten kierreliitos (NPT,BSP-P(G),BSPT(Rc)), päittäishitsaus (BW), hylsyhitsaus (SW)g tai laippaliitäntä, joka tarjoaa joustavan asennuksen ja vahvan sopeutumiskyvyn.

Suunnittelupaine voi nousta jopa 1500 LB:iin, mikä tekee siitä sopivan korkeapaineisiin kuljetusjärjestelmiin sellaisilla aloilla kuin öljy, kemianteollisuus ja maakaasu.


3-osaiset taotut teräspalloventtiilit:

1) Suunnittelu- ja valmistusstandardit: BS5351, MSS SP-118

2) Liitäntäpään mitat: ANSI B16.10, JB/T1715

Hylsyn hitsauspään mitat: ANSI B16.11, JB/T1715

Kierrepään mitat: ANSI B1.12.1, JB/T7306

Puskuhitsauksen pään mitat: ANSI B16.25, JB/T12224

3) Testaus ja tarkastus: API 598

4) Materiaalistandardit: ANSI/ASTM


3-Piece Forged Steel High-pressure Ball Valve


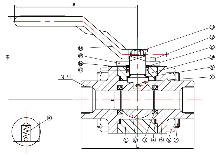
Päämateriaalitaulukko:

Ei. Osan nimi Hiiliteräs Ruostumaton teräs
1 Runko A105 F304 F304L F316 F316L
2 Pallo SS304 F304 SS304L SS316 SS316L
3 Istuin PTFE, RPTFE
4 Tiiviste SS304/SS316 + grafiitti
5 Korkki A105 F304 F304L F316 F316L
6 Mutteri A194-2H A194-8 A194-8M
7 Pultti A193-B7 A193-B8 A193-B8M
8 Varsi SS304 F304 SS304L SS316 SS316L
9 Työntöaluslevy PTFE, RPTFE
10 O-rengas Viton
11 Gland SS304 SS304 SS304 SS316 SS316
12 Pultti 1035
13 Mutteri Ruostumaton teräs
14 Kahva WCB, ruostumaton teräs
15 Rajoitettu levy 1025
16 Estä Fire Ring SS304, SS316
17 Pakkaus Grafiitti
18 Kevät SS304, SS316


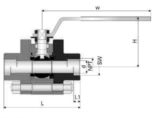
Päämittataulukko:

DN mm NPS (tuumaa) L mm D mm H mm
15 1/2" 92 13 66
20 3/4" 112 19 72
25 1” 126 24 100
32 11/4" 129 30 105
40 11/2" 152 38 112
50 2" 176 49 122


3-Piece Forged Steel High-pressure Ball Valve3-Piece Forged Steel High-pressure Ball Valve3-Piece Forged Steel High-pressure Ball Valve3-Piece Forged Steel High-pressure Ball Valve



Ammattimaisen valmistuksen takuu – Wenzhou Joepai Valve Co., Ltd.

Ruostumattomasta teräksestä ja hiiliteräksestä valmistettujen palloventtiilien tutkimukseen, kehittämiseen ja valmistukseen erikoistuneena yrityksenä,Wenzhou Joepai Valve Co., Ltd.sijaitsee Binhain teollisuuspuistossa Longwanin alueella Wenzhoussa, joka tunnetaan nimellä "China's Valve City". Yrityksellä on moderni tuotantopohja ja kattava laadunvalvontajärjestelmä. Yritys on varustettu:

Ammattimainen T&K-keskus ja CNC-työstölaitteet

Kehittyneet testauslaitteet (kuten tietokoneiden monielementtianalyysilaitteet, Leeb-kovuusmittarit ja paksuusmittarit)

Paineentestauskoneet, elinkaaritestauskoneet ja muut koko prosessin testausalustat

Tiukoihin prosesseihin ja jatkuvaan innovaatioon luottaen Joepai Valve varmistaa, että jokainen 3PC taottu teräksinen korkeapainepalloventtiili täyttää korkeat suorituskykyvaatimukset ja tarjoaa asiakkaille turvallisen, luotettavan jakestäviä venttiiliratkaisuja.


Aiheeseen liittyviä uutisia
Jätä minulle viesti
X
Käytämme evästeitä tarjotaksemme sinulle paremman selauskokemuksen, analysoidaksemme sivuston liikennettä ja mukauttaaksemme sisältöä. Käyttämällä tätä sivustoa hyväksyt evästeiden käytön. Tietosuojakäytäntö
Hylätä Hyväksyä